注意:访问本站需要Cookie和JavaScript支持!请设置您的浏览器! 打开购物车 查看留言付款方式联系我们
初中电子 单片机教材一 单片机教材二
搜索上次看见的商品或文章:
商品名、介绍 文章名、内容
首页 电子入门 学单片机 免费资源 下载中心 商品列表 象棋在线 在线绘图 加盟五一 加入收藏 设为首页
本站推荐:
隧道二极管脉冲电路
文章长度[7774] 加入时间[2006/7/1] 更新时间[2026/3/24 2:53:04] 级别[3] [评论] [收藏]

 
由于隧道二极管的脉冲电路,结构简单,变化速度快,功耗小,因此在高速脉冲技术中得到广泛的应用,可以用隧道二极管构成双稳电路,单稳电路,多谐振荡电路,以及用作整形和分频电路等。
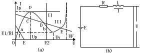
一、隧道二极管的伏安特性及其参数
隧道二极管的伏安特性[见图一(a)]是一条S型特性曲线。曲线中最大电流点P,称为峰点;最小电流点V,称为谷点,隧道二极管的主要参数:
(1)峰点电压Up,约几十毫伏,谷点电压Uv,约几百毫伏
(2)峰点电流Ipi,约几毫安,谷点电流Iv约几百微安
(3)峰谷电流比,约为5-6,越大越好
(4)谷点电容Cv,几微法至几十微法,越小越好,国产2BS4A:Up=80毫伏,Ip=4毫安,峰谷电流比≥5,Cv=10~15微法,Uv=280毫伏。

图一、隧道二极管的伏安特性
图一(b)是常用的隧道二极管脉冲电路,若选取R、E的不同数值,可作三种具有代表性的直流负载线:
负载线Ⅰ图一(a)与伏安特性交于低压正阻区a点,它是稳定点,用于构成单稳电路。
负载线Ⅱ与伏安特性相交于负阻区的b点,它是不稳定点,用于构成多谐振荡电路。
负载线笥敕蔡匦越挥贑、D、E三点,C、E为稳定点,D为不稳定点,用于构成双稳电路,因此,选取不同的静态工作点负载线,就可获得不同类型的脉冲电路。
二、隧道二极管单稳态电路

图2、隧道二极管单稳态电路
图2(a)是单稳态是路,若调节电位器R1,使由R1//R2及R2E/(R1+R2)作出的负载线I处于低压正阻区内,其静态工作点Q是稳定点(图2(b),这时若无触发脉冲作用,电路处于稳定状态。但在触发脉冲us作用下,负载线从I移至II,由于隧道不能停留在负阻区,及电感不允许电流突变,所以当电流I增至峰点电流时,就发生如下的恒流跃变:
各点变化的电压组成的输出波形如图2(C)所示,脉冲宽度为:
ts=(L/R
Σ)In[(ET-IvRΣ)/(ET-IpRΣ)](适用于工作在特性曲线低压段)
式中:R
Σ=RT+R1//R2,RT=Up/Ip
E
T=E[R2/(R1+R2)
L≈UFts/2(Ip-Iv)
脉冲前沿:tr≈Cs[(Uv-U
A)/Iv]
Cs为隧道二极管的结电容和分布电容
,
三、隧道二极管多谐振荡电路

图三、隧道二极管谐振荡器
图三(a)为自激多谐振荡电路。静态工作点Q置于负阻区(见图3(b))。当接通电源后,电流I从零开始增至峰点电流,Ipo但由于静态点不稳点,加上电感不允许电流突变,所以电流增至Ip后,周而复始地进行,从而产生了快速的矩形脉冲[见图3(C)]。其参数如下:
脉冲宽度:T1≈(L/RΣ)In[(UF-ET+IpRΣ1)/(Uv-ET+IvRΣ1)]
脉冲间隔:T2≈(L/RΣ2)In[(ET-IvRΣ2)/ET-IpRΣ2)]
式中:RΣ1=R1//R2+(UF-Uv)/(Ip-Iv)
RΣ2=R1//R2+(Up/Ip),ET=E[R2/(R1+R2)]
四、隧道二极管双稳态电路
图4(a)为双稳态电路,它有两个稳定的静态点Q1及Q3和一个不稳定点Q2(见图4(b))。当接通电源后,电流增至IQ1就稳定下来。设触发脉冲U2经过Rs及C1作用于隧道二极管。若幅度足够大,就能把负载线推至P点外[虚线①,又由于电感存在,从P点恒流跃变至F点,再从F→Q3(当正尖脉冲消失后,负载线回至实线位置)接着,负尖脉冲又把负载线推至左边(虚线②),开始恒流跃变:即从V→M→Q1。随着正、负尖脉冲的交替作用,产生了周期的矩形波(见图4(C)

图4、隧道二极管双稳态电路
五、隧道二极管与晶体管的组合使用
国产的隧道二极管全都是锗材料做成的,其峰值电压约为0.25伏左右,若这种锗的遂道二极管要与硅晶体管并联使用时,则遂道二极管BG2要串接反向二极管BG1(同了图5(a),反向二极管是一种变种的隧道二极管,其峰点电流特别小,正向特性与普通二极管相似,但反向电压作用时,电流急剧增加,温度特性十分稳定

图5、隧道二极管整形电路

从图5(b)可见,反向二极管与隧道二极管串接后,其组合特性:在电压较低时由反向二极管决定:在电压较高时,与硅晶体管的正向特性类似,两者之间又存在负阻区,若按图5(b)设置静态点Q1,当A为低平电平时,B为高电平(0.8伏),BG3导通,集电极电压Uc3=3伏。BG4的射极输出端Uo为零伏低电平,当A点为负电平Um时,负载线向左转移,很快地进入另一稳定点Q3。UQ3低于BG3的载止电压,故BG3载止,输出,输出Uo为高电平,约18伏左右。一旦当A点回到零平时,负载线回到右边,工作点从Q3→P→F→Q1点,输出Uo又迅速回到零电平,由于隧道二极管的变化速度特别快,所以输出脉冲的前后沿很陡。晶体管示波器常用隧道二极管]作整形电路。

1、 本站不保证以上观点正确,就算是本站原创作品,本站也不保证内容正确。
2、如果您拥有本文版权,并且不想在本站转载,请书面通知本站立即删除并且向您公开道歉! 以上可能是本站收集或者转载的文章,本站可能没有文章中的元件或产品,如果您需要类似的商品请 点这里查看商品列表!
本站协议 | 版权信息 |  关于我们 |  本站地图 |  营业执照 |  发票说明 |  付款方式 |  联系方式
深圳市宝安区西乡五壹电子商行——粤ICP备16073394号-1;地址:深圳西乡河西四坊183号;邮编:518102
E-mail:51dz$163.com($改为@);Tel:(0755)27947428
工作时间:9:30-12:00和13:30-17:30和18:30-20:30,无人接听时可以再打手机13537585389