注意:访问本站需要Cookie和JavaScript支持!请设置您的浏览器! 打开购物车 查看留言付款方式联系我们
初中电子 单片机教材一 单片机教材二
搜索上次看见的商品或文章:
商品名、介绍 文章名、内容
首页 电子入门 学单片机 免费资源 下载中心 商品列表 象棋在线 在线绘图 加盟五一 加入收藏 设为首页
本站推荐:
电子基础知识1
文章长度[10322] 加入时间[2006/7/1] 更新时间[2026/5/26 11:37:52] 级别[3] [评论] [收藏]

[请注意:本文中存有错误之处,在评论中有指正。]

 



两水箱存在水位差,水从高水位流向低水位



两个金属球之间存在电位差,电流从高电位流向低电位
  • 电压就如水一样,水的流动,因为有水压/位差,水是由高水位向低水位流动。在电路中,由于有电压/位差的存在,电流就会从高电位点流向低电位点, 两点间就好象有一种力量存在,这种力叫电压。电压是产生电流的不可缺少的条件。

     
  • 电压值用字母“U”表示

     
  • 电压值的单位:伏特(V)简称“伏”

     
  • 换算单位:毫伏(mV),微伏(uV)

     
  • 换算关第:1V=1000mV,1mV=1000uV

     
  • 给电路提供电压的器件叫电源,如电池、发电机等。
  • 电子有秩序流动就形成了“电流”。

     
  • 电流值用字每“I”表示

     
  • 电流值的单位是:安培(A),简称“安”

     
  • 换算单位是:毫安(mA),微安(uA)

     
  • 换算关系:1A=1000mA,1mA=1000uA

     
  • 电流可分为直流电和交流电。电流的大小和方向都是固定不变的,叫直流电。直流电有固定的正极和负极,如电池。电流的大小及方向都随时间变化的电流,叫交流电,如我们通常所用的220V的市。


水管管壁对水流有阻碍作用



灯泡对电流有阻碍作用,好比水管管壁对水流的阻碍一样
 
  • 电子在物体内有秩序地流动所遇到的阻力叫“电阻”。好像水在水管内流动时,必须克服管壁的阻力一样。

     
  • 电阻的大小叫电阻值用“R”表示。

     
  • 电阻值的单位是:欧姆(Ω),简称“欧”

     
  • 换算单位是:千欧(KΩ),兆欧(MΩ)

     
  • 换算关系:1MΩ=1000KΩ=1,000,000Ω

     
  • 电阻小的物质称为电导体,简称导体。电阻大的物质称为电绝缘体,简称绝缘体。
  • 在导体两端加上电压,就能产生电流,电流流过导体,又不可避免地会遇到电阻,那么电压、电流、电阻这三个基本电学量之间有什么关系呢?

     
  • 德国物理学家欧姆,经过大量的实验,于1827年确定了电路中电流、电压、电阻之间的关系,总结出一条最基本的电路定律:欧姆定律。

     
  • 欧姆定律指出:在一个闭合的电路中,电流强度与电源的电压成正比,与电路中的电阻成反比。即:

    I(电流)=U(电压)/电阻(R)
 
器件名称 实物照片 符号 用途 单位 种类
电阻器 限制电流、产生电压降 (Ω)欧姆 固定电阻 可变电阻
电容器 滤波、计时、信号传送 F(法拉) 固定电容 可变电容 电解电容
电感及变压器   调谐、电压升降信号过滤 H(亨利)  
二极管   检波、整流、整型    
发光二极管 显示(红、黄、绿、蓝等色)控制    
稳压二极管   稳定电压    
光敏二极管 光电控制,遥控接收器    
三极管

NPN型



PNP型
信号放大、开关   高频三极管、低频三极管


大、中、小功率三极管
集成电路(IC



信号放大、开关、逻辑(内有多个相同功能的电路)    
导通方向   不导通(无电流)
用途:整流(单方向通电流),单方向导通控制信号
     
NPN型三极管 NPN型三极管等效结构 导通偏压方向
PNP型三极管 PNP型三极管等效结构 导通偏压方向
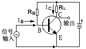
用途:三极管可用作对信号放大,开关等用途(因B极无偏压,则C极无电流,所以可作开关用)。在作信
     号放大时一定要在B极加上适当方向的仿压才能正常式作放大信号。
 
    从电台、传感器等来源的信号是非常微弱的,都需要放大百、千或万倍以上才能显示出来(可听、可看、可控制其他机械)。只要三极管极加输入信号,在极间就可得出数十倍到数百倍的电流放大,而电流放大系数就是Hfe 。
    三极管的电流放大系数
NPN PNP
NPN三极管偏压方法
PNP三极管偏压方法
 
 
1、 本站不保证以上观点正确,就算是本站原创作品,本站也不保证内容正确。
2、如果您拥有本文版权,并且不想在本站转载,请书面通知本站立即删除并且向您公开道歉! 以上可能是本站收集或者转载的文章,本站可能没有文章中的元件或产品,如果您需要类似的商品请 点这里查看商品列表!
本站协议 | 版权信息 |  关于我们 |  本站地图 |  营业执照 |  发票说明 |  付款方式 |  联系方式
深圳市宝安区西乡五壹电子商行——粤ICP备16073394号-1;地址:深圳西乡河西四坊183号;邮编:518102
E-mail:51dz$163.com($改为@);Tel:(0755)27947428
工作时间:9:30-12:00和13:30-17:30和18:30-20:30,无人接听时可以再打手机13537585389