| 注意:访问本站需要Cookie和JavaScript支持!请设置您的浏览器! • 打开购物车 • 查看留言 • 付款方式 • 联系我们 |
![]() |
| 首页 | 电子入门 | 学单片机 | 免费资源 | 下载中心 | 商品列表 | 象棋在线 | 在线绘图 | 加盟五一 | 加入收藏 | 设为首页 |
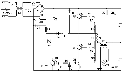
| 选择分类:当前分类——电子制作 相关联或者相类似的文章: 怎样安装AT51编程板的USB转串口软件?(8206) 装在火柴盒里的悄悄听别人讲话的发射器(1999) 红外感应电子狗制作详解(1560) 台灯触摸开关(1560) ++ 带限流保护的可调稳压电源 (1331) 分立电子开关、OTL功放详解(1274) 用单片机控制字符型液晶显示模块(1249) 厨房定时器(1160) 电子制作专用微型模块盒子(1132) 性能可靠的60W石英灯用电子变压器(1091) 做梦机的制作(1078) 自己动手制作无线话筒(944) MA21小型电子调速器的制作(939) 500米无外壳四通道遥控模块(926) 关于“D40”最早的文章(907) 用三端稳压LM317制作的甲类功放(898) ++ 汽车电池电压监视器 ++(897) 电子小鸡(896) 简单实用的遥控开关(895) 简易电话机测试装置(889) 首页 前页 后页 尾页 本站推荐: | 105W卤素灯用可调光电子变压器 1、 本站不保证以上观点正确,就算是本站原创作品,本站也不保证内容正确。 2、如果您拥有本文版权,并且不想在本站转载,请书面通知本站立即删除并且向您公开道歉! |
|
本站协议 |
版权信息 |
关于我们 |
本站地图 |
营业执照 |
发票说明 |
付款方式 |
联系方式
深圳市宝安区西乡五壹电子商行——粤ICP备16073394号-1;地址:深圳西乡河西四坊183号;邮编:518102 E-mail:51dz$163.com($改为@);Tel:(0755)27947428 工作时间:9:30-12:00和13:30-17:30和18:30-20:30,无人接听时可以再打手机13537585389 |