注意:访问本站需要Cookie和JavaScript支持!请设置您的浏览器! 打开购物车 查看留言付款方式联系我们
初中电子 单片机教材一 单片机教材二
搜索上次看见的商品或文章:
商品名、介绍 文章名、内容
首页 电子入门 学单片机 免费资源 下载中心 商品列表 象棋在线 在线绘图 加盟五一 加入收藏 设为首页
本站推荐:
电热毯自动保护恒温器
文章长度[2140] 加入时间[2007/1/4] 更新时间[2026/3/13 2:58:56] 级别[0] [评论] [收藏]

作者:王刚勤 来源:《电子制作》

  目前,很多电热毯的温度控制都采用手动开关,它是由一个快热档和一个慢热档进行控温的,这样电热毯内部温度较难控制在某一恒定的温度下工作,给使用者带来不少的麻烦。本文向大家介绍一种电热毯自动控制电路,它能在预定的温度下工作,还能起到停电自锁、过电压保护的作用。
  一、电路原理介绍

  电路工作原理见图l所示。它主要由停电自锁电路、过电压保护电路、自动恒温控制电路组成。当按钮开关S2按下,220V交流电经电容C2降压、V6和V7稳压整流、C3滤波后供继电器J使用,这时J通电吸合,常开触点J1接通,使得电路自锁。 这时,即使按钮开关S2松开,也能维持向电热毯及继电器J供电。当电热毯在使用过程中遇到电网停电,则继电器J断电释放,常开触电J1断开,故电热毯不工作。电网恢复供电时不能使继电器和电热毯自动接通电源,只能再次按动s2,继电器J吸合,电热毯才会重新通电工作。
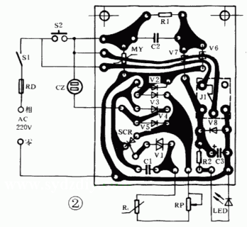
  Rt是一种正温度系数热敏电阻,其内部阻值大小随所感受的温度高低而变化,即温度高时内部阻值增大,反之亦然。由整流二极管V2~V5、单向可控硅SCR、双向触发二极管V1、正温度系数热敏电阻Rt、电容C1、电位器RP组成电热毯恒温控制电路。其控制过程是:交流电经V2~V5桥式整流后变为直流电,经RP、Rt向C1充电,当C1两端上的电压达到一定值,使双向触发二极管击穿导通而处于放电状态。此时,单向可控硅被触发导通,使电热毯通电工作。在电热毯内部温度上升到一定值时,其热敏电阻Rt内部阻值很大,而降落在C1上的电压较小,不能使V1击穿,则SCR关断,相应电热毯断电不工作,此时电热毯处于降温状态。当电热毯温度降到某一值时,又重复以上的控制过程,这样不断周而复始,使电热毯温度保持在某一恒定值。倘若电网出现过电压时,压敏电阻MY内部被短路(即处于导通状态),并快速熔断保险丝RD,从而起到过电压自动保护作用。图2是该装置的印刷线路板装配图。

  二、主要元器件选择
  SCR选用小型塑封单向可控硅MCR100-8型。Rt为正温度系数热敏电阻PTC,其阻值大小可在实验中确定。V6选用稳压值12V,额定功率1W的稳压二极管。C2的容量可在0.47~1uF(耐压630V)范围内选用。MY选用压敏电压470V~480V的压敏电阻。J选用额定工作电压12V、绕组电阻400Ω、额定电流30mA的JZC-22F超小型电磁继电器。其它元件参数按图1选取。
  三、安装与说明
  根据电热毯各部位置发热情况不同和人体对电热毯压迫因素的影响,最好把热敏电阻Rt安装在电热毯所属脚部区域的中间位置处,以便能充分感受到电热毯温度的变化情况,从而达到良好的控温效果。由于本电路采用的是可控硅无触点电子开关,有控制信号才能触发导通,这样在一定程度上可以防止电热丝断裂后出现拉弧打火的问题,从而起到了安全保护作用。热敏电阻Rt的信号输入导线,要使用屏蔽线,以保证牢固可靠,并能将Rt所感受到的温度变化信号直接传输给控制电路。RP安装在该恒温器的面板上,并在塑料旋钮上标注上相应温度刻度线,以便选用所需的温度控温档。为了达到保护效果与使用寿命,压敏电阻MY的电压值的选择应按用电器额定交流电压有效值的2.2倍选取。

1、 本站不保证以上观点正确,就算是本站原创作品,本站也不保证内容正确。
2、如果您拥有本文版权,并且不想在本站转载,请书面通知本站立即删除并且向您公开道歉! 以上可能是本站收集或者转载的文章,本站可能没有文章中的元件或产品,如果您需要类似的商品请 点这里查看商品列表!
本站协议 | 版权信息 |  关于我们 |  本站地图 |  营业执照 |  发票说明 |  付款方式 |  联系方式
深圳市宝安区西乡五壹电子商行——粤ICP备16073394号-1;地址:深圳西乡河西四坊183号;邮编:518102
E-mail:51dz$163.com($改为@);Tel:(0755)27947428
工作时间:9:30-12:00和13:30-17:30和18:30-20:30,无人接听时可以再打手机13537585389