注意:访问本站需要Cookie和JavaScript支持!请设置您的浏览器! 打开购物车 查看留言付款方式联系我们
初中电子 单片机教材一 单片机教材二
搜索上次看见的商品或文章:
商品名、介绍 文章名、内容
首页 电子入门 学单片机 免费资源 下载中心 商品列表 象棋在线 在线绘图 加盟五一 加入收藏 设为首页
本站推荐:
USB接口器件PDIUSBD12的接口应用设计
文章长度[] 加入时间[2007/6/29] 更新时间[2026/4/17 10:42:40] 级别[0] [评论] [收藏]
USB接口器件PDIUSBD12的接口应用设计
2007年06月21日 星期四 15:36

摘要  USB作为一种新型的接口技术,以其简单易用、速度快等特点而备受青睐。本文简单介绍USB 接口的特点和PHILIPS公司的USB接口芯片PDIUSBD12,并详细说明USB软硬件开发过程中 应注意的问题。

关键词 USB USB调试 USB枚举顺序 接口技术

引言

  USB是近年来应用在PC领域的新型接口技术,是一些PC大厂商,如 Microsoft、Intel等为了解决日益增加的PC外设与有限的主板插槽和端口之间 的矛盾而制定的一种串行通信的标准,自1995年在Comdex上亮相以来至今已广泛地为各 PC厂家所支持。现在生产的PC几乎都配备了USB接口,Microsoft 的Windows98、NT以及MacOS、Linux、FreeBSD等流行操作系统都增加了对 USB的支持。

  USB的主要优点:

  ①   使用方便。连接外设不必再打开机箱;允许外设热插拔,而不必关闭主机电源。
  ②   速度快。USB接口的最高传输率可达12 Mb/s;提供低速方式,速率为1.5 Mb/s。扣除用于总线状态控制和错误检测等数据传输,最大理论速度也能 达到1.2 Mb/s和9.6 Mb/s。
  ③   连接灵活。一个USB口理论上可以连接127个USB设备。连接的方式也十分灵活,既可以使用串行连接,也可以使用集线器Hub,把多个设备连接在一起,再同PC机的USB口相接。
  ④   独立供电。USB接口提供了内置电源。

  现在的USB生产厂商很多,几乎所有的硬件厂商都有USB 的产品。USB控制器一般有两种类型:一种是MCU集成在芯片里面的,如 Intel的8X930AX、CYPRESS的EZ-USB、SIEMENS的C541U以及 MOTOLORA、National Semiconductors等公司的产品;另一种就是纯粹的USB接口芯片,仅处理 USB通信,如PHILIPS的PDIUSBD11(I2C接口)、 PDIUSBP11A、PDIUSBD12(并行接口),National Semiconductor的USBN9602、USBN9603、USBN9604等。前一种由于开发时需要单独的开发系统,因此 开发成本较高;而后一种只是一个芯片与MCU接口实现USB通信功能,因此成本较低,而且可靠性高。本文主要介绍PHILIPS公司的PDIUSBD12器件。

1 PDIUSBD12芯片特点和内部结构

  PDIUSBD12是一个性能优化的USB器件,通常用于基于微控制器的系统并与微控制器通过高速通 用并行接口进行通信,也支持本地DMA传输。该器件采用模块化的方法实现一个 USB接口,允许在众多可用的微控制器中选择最合适的作为系统微控 制器,允许使用现存的体系结构并使固件投资减到最小。这种灵活性减少了开发时间、风险和成本, 是开发低成本且高效的USB外围设备解决方案的一种最快途径。 PDIUSBD12完全符合USB1.1规范,也能适应大多数设备类规范的设计,如成像类、大 容量存储类、通信类、打印类和人工输入设备等,因此,PDIUSBD12 非常适合做很多外围设备,如打印机、扫描仪、外部大容量存储器( Zip驱动器)和数码相机等。现在用SCSI实现的很多设备如果用 USB来实现可以直接降低成本。

  PDIUSBD12挂起时的低功耗以及LazyClock输出符合ACPI 、OnNOW和USB电源管理设备的要求。低功耗工作允许实现总线供电的外围设备。

  PDIUSBD12还集成了像SoftConnect、GoodLink、可编程时钟输出、低频晶振和终端电阻等特性。所 有这些特性都能在系统实现时节省成本,同时在外围设备上很容易实现更高级的 USB功能。

1.1 主要特性

  ◇ 符合USB 1.1协议规范;
  ◇ 集成了SIE、FIFO存储器、收发器和电压调整器的高性能USB接口芯片;
  ◇ 适应大多数设备类规范的设计;
  ◇ 与任何微控制器/微处理器有高速(2MB/s)的并行接口;
  ◇ 完全自动DMA操作;
  ◇ 集成了320 B的多配置FIFO存储器;
  ◇ 主端点有双缓存配置,增加吞吐量,容易实现实时数据传输;
  ◇ 在块传输模式下有1MB/s的数据传输率,在同步传输模式下有 1Mb/s的数据传输率;
  ◇ 具有总线供电能力,有非常好的EMI性能;
  ◇ 在挂起时有可控制的LazyClock输出;
  ◇ 可通过软件控制USB总线连接SoftConnect;
  ◇ 在USB传输时有闪亮的USB连接指示灯GoodLink;
  ◇ 时钟频率输出可编程;
  ◇ 符合ACPI、OnNOW和USB电源管理要求;
  ◇ 具有内部上电复位和低电压复位电路;
  ◇ 有SO18和TSSOP28封装;
  ◇ 能在-40~+85 ℃工业级工作;
  ◇ 片内8kV静电保护;
  ◇ 双电压工作:(3.3±0.3)V或扩大的5 V电压范围(3.6~5.5 V);
  ◇ 多中断模式,方便块传输和同步传输。

1.2 内部结构

  PDIUSBD12的内部框图如 图 1 所示。


图1   PDIUSBD12内部结构框图

  ①   模拟收发器。集成的收发器直接通过终端电阻与USB电缆接口。

  ②   电压调整器。片上集成的1个3.3 V电压调整器为模拟收发器供电,也提供连接到外部1.5 kΩ上拉电阻的输出电压。作为选择,PDIUSBD12提供集成1.5 kΩ上拉电阻的SoftConnect技术。

  ③ PLL。片上集成1个6~48 MHz的倍频PLL(锁相环),允许使用6 MHz的晶振,EMI也由于使用低频晶振而减小。PLL的工作不需要外部器件。

  ④   位时钟恢复。位时钟恢复电路用4倍过采样原理从输入的USB 数据流中恢复时钟,能跟踪USB规范中指出的信号抖动和频率漂移。

  ⑤   PHILIPS串行接口引擎PSIE。PHILIPS的SIE完全实现USB协议层。考虑到速度,它是全硬件的, 不需要固件(微程序)介入。这个模块的功能包括:同步模式识别、并 /串转换、位填充/不填充、CRC校验、PID确认、地址识别以及握手鉴定。

  ⑥ SoftConnect。高速设备与USB的连接是靠把D+通过1个1.5 kΩ的上拉电阻接到高电平来建立的。在PDIUSBD12中,这个上拉电阻是集成在芯片 内的,缺省是没有连接到VDD,这个连接是靠外部 MCU发一个命令来建立的。这使得系统微处理器可以在决定建立 USB连接之前完成初始化。重新初始化USB总线连接也可以不用拔掉电缆来完成。

  ⑦   GoodLink。GoodLink是靠一个引脚接发光二极管实现的。在 USB设备枚举时LED指示灯将立即闪亮;当PDIUSBD12被成功枚举并配置时, LED指示灯将会始终亮;经过PDIUSBD12的USB数据传输过程中, LED将一闪一闪,传输成功后LED熄灭;在挂起期间,LED熄灭。这种特性可以使我们知道 PDIUSBD12的状态,方便电路调试。

  ⑧   存储器管理单元MMU和集成RAM。MMU和集成RAM能缓冲USB(工作在 12Mb/s)数据传输和微控制器之间并行接口之间的速度差异,这允 许微控制器以自己的速度读写USB包。

  ⑨   并行和DMA接口。并行接口容易使用、速度快并且能直接与主微控制器接口。对于微控制 器,PDIUSBD12可以看成是一个有8位数据总线和1位地址线的存储设备。 PDIUSBD12支持多路复用和非多路复用的地址和数据总线。在主端点(端点 2)和局部共享存储器之间也可使用DMA(直接存储器存取)传输。它支持单周期模式和块传送模式 两种DMA传输。

2   PDIUSBD12的引脚说明及典型连接

2.1   PDIUSBD12引脚说明

  PDIUSBD12引脚如 图 2 所示,引脚如 表 1 所列。


图2   PDIUSBD12的引脚图

表1   PDIUSBD12引脚说明

2.2 PDIUSBD12的典型连接

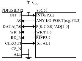
  PDIUSBD1与80C51的连接电路如 图 3 所示。在这个例子中, ALE始终接低电平,说明采用单独地址和数据总线配置。A0 脚接80C51的任何I/O引脚,控制是命令还是数据输入到PDIUSBD12 。80C51的P0口直接与PDIUSBD12的数据总线相连接,CLKOUT 时钟输出为80C51提供时钟输入。


图3   PDIUSBD12与80C51的连接电路图

3   软件设计

3.1 单片机方面软件设计

  对于单片机控制程序,目前没有任何厂商提供自动生成固件(firmware)的工具,因此所有程序都 要由自己手工编制。USB单片机控制程序通常由三部分组成:第一、初始化单片机和所有的外围电路 (包括PDIUSBD12);第二、主循环部分,其任务是可以中断的;第三、中断服务程序,其任务是对时 间敏感的,必须马上执行。根据USB协议,任何传输都是由主机(host)开始的,这样,单片机作它 的前台工作,等待中断。主机首先要发令牌包给USB设备(这里是PDIUSBD12),PDIUSBD12接收 到令牌包后就给单片机发中断,单片机进入中断服务程序,首先读PDIUSBD12的中断寄存器,判断 USB令牌包的类型,然后执行相应的操作。因此,USB单片机程序主要就是中断服务程序的编写。在USB单片机程序中要完成对各种令牌包的响应,其中比较难处理的是SETUP包,主要是端口0的编程。

  单片机与PDIUSBD12的通信主要是靠单片机给PDIUSBD12发命令和数据来实现的。 PDIUSBD12的命令字分为三种:初始化命令字、数据流命令字和通用命令字。PDIUSBD12给出了各种命令的代码和地址。单片机先给PDIUSBD12的命令地址发命令,根据不同命令的要求再发送或读出不同的数据。因此,可以将每种命令做成函数,用函数实现各个命令,以后直接调用函数即可。

  在编写USB的单片机程序时,需要注意:

  ① 单片机的中断应设置为电平触发;中断后一定要读上次传输状态寄存器(命令40-45H),以清 除中断寄存器中的中断标志。这样,PDIUSBD12的中断输出才能变回高电平,这一点非常重要。
  ② 在接收到Setup包后,一定要调用ACK set up命令重新使能端口0。
  ③ 在向IN端点写完数据后,一定调用Val i date Buffer(命令FAH),指明缓冲区中的数据有效,可以发送到主机。
  ④   当读完数据后,一定调用Clear Buffer(命令F2H),以保证可以接收新的包。
  ⑤   可以通过调用Read Chip ID(命令FDH)检查PDIUSBD12是否工作。该命令要读两个字节数据。

  USB初始化过程为:

  ① Set Address Enable;
  ②   Set Endpoint Enable(此时LED亮);
  ③ Disconnect;
  ④   delay(1~2 s);
  ⑤ Connect(即用43h参数调用Set Mode,此时LED灭);
  ⑥ Read Interrupt Register。

  完成初始化工作后,就可作其它的前台工作了,并在前台判断是否有 Setup包(通过一个变量,当中断服务程序检测到有Setup包时,设置该变量),然后执行响应的控制传输。

  在调试USB单片机程序时,还要特别注意Win dows对USB设备的枚举顺序:

  ① GetDeviceDescriptor。主机主要对Length域感兴趣,发送内容一定要正确,特别是第 2字节type一定为0x01,即Device;否则,主机将不响应,或 者再重复2次后放弃。可检查一下对EP0的RX、TX的设置次序。

  ② SetAddress。一般为02或03。

  ③ 连续3次GetDeviceDescriptor,读取全部设备描述符,一般为 18 B,分为多次传输。如果不正确,主机将不响应或重复2次后放弃。

  ④ GetConfigDescriptor。注意第2字节一定为0x02,即config 。

  ⑤   GetStringDescriptor(可能没有),根据在设备描述符中是否有 String索引而定。一般先读取LanguageID,再读取product string。

  ⑥   读取全部ConfigDescriptor,次数根据描述符的大小决定(端点个数不同,描述符大小不同),如 果不正确,主机将不响应或再重复2次后放弃。

  ⑦ 如果以上步骤都正确,主机将找到新设备,提示安装驱动程序;否则找到未知设备,不可用。 安装驱动程序后,以后的每次PlugIn,枚举次序与以上步骤略有不同,之后会有 SetConfiguration、GetConfiguration和GetInterface等调用。

3.2 主机方面软件设计

  Windows98 提供了多种USB设备的驱动程序,但好像还没有一种是专门针对数据采集系统的,所 以必须针对特定的设备来编制驱动程序。尽管系统已经提供了很多标准接口函数,但编制驱动程序仍 然是USB开发中最困难的一件事情,通常采用Windows DDK来实现。目前有许多第三方软件厂商提供了各种各样的生成工具,像 Compuware的driv er works,Blue Waters的Driv er Wizard等,它们能够很容易地在几分钟之内生成高质量的USB 的驱动程序。作为WIN98和WIN2K推荐的一项新技术来说,USB的驱动程序和以往的直接跟硬件打交道的 WIN95的VXD方式的驱动程序不同。它是WDM类型的。

  在调试USB设备时,可使用UsbView程序检测设备是否能被Windows枚举并配置,如果成功, 还可在该程序中查看设备描述符、配置描述符和端点描述符是否正确。之后可以使用Driver Wiz ard生成一个通用驱动程序,在Windows提示安装驱动程 序时,选择Driver Wizard生成的驱动程序。其实Driver Wizard生成的仅是一个Windows控制台的应用程序,它会调用安装Driver Wizard时安装在系统中的通用USB驱动程序。使用该程序就可测试设备 是否能够正确传输数据以及传输速度。该程序也可作为最终产品USB传输部分的框架;如果不能满足 要求,也可用WDM重新编制驱动程序,用调试好的USB设备来开发、调试主机软件。

4 应用实例

  本文介绍一个高速数据采集系统,以AD公司的ADμC812为系统控制器。该单片机本身就是高度集 成的高精度12位数据采集系统,在其片内不仅组合了可重新编程非易失性闪速/电擦除程序存储器的高 性能8位(与8051兼容)MCU,还包含了高性能的自校准多通道(8个输入通道)12位ADC和两个12位 DAC,且内核与8051指令集兼容。PDIUSBD12作为 ADμC812的存储器外设,接口比较简单。需要注意的地方是引脚必须接高电平,否则将不能接收任何命令和数据;EOT_N必须通过电阻接到USB 的+5 V,以正确检测到USB连接;INT_N引脚加1个上拉电阻,+5 V接到VDD引脚;在VOUT3.3引脚加 1μF(电解电容)和0.1μF两个退耦电容。

结束语

  PDIUSBD12是一个性能优化的USB器件,它的SoftConnect 和GoodLink技术使开发和调试USB设备时非常方便,在性能、速度、方便性以及成本上都具有很大的优势。因此,使用PHILIPS公司的PDIUSBD12可以快速开发出高性能的 USB设备。

1、 本站不保证以上观点正确,就算是本站原创作品,本站也不保证内容正确。
2、如果您拥有本文版权,并且不想在本站转载,请书面通知本站立即删除并且向您公开道歉! 以上可能是本站收集或者转载的文章,本站可能没有文章中的元件或产品,如果您需要类似的商品请 点这里查看商品列表!
本站协议 | 版权信息 |  关于我们 |  本站地图 |  营业执照 |  发票说明 |  付款方式 |  联系方式
深圳市宝安区西乡五壹电子商行——粤ICP备16073394号-1;地址:深圳西乡河西四坊183号;邮编:518102
E-mail:51dz$163.com($改为@);Tel:(0755)27947428
工作时间:9:30-12:00和13:30-17:30和18:30-20:30,无人接听时可以再打手机13537585389