ISD1700 是华邦 ISD 公司 2007 年新推出的单片优质语音录放电路,该芯片 提供多项新功能,包括内置专利的多信息管理系统,新信息提示( vAlert ) , 双运作模式(独立 & 嵌入式),以及可定制的信息操作指示音效。芯片内部 包含有自动增益控制、麦克风前置扩大器、扬声器驱动线路、振荡器与内存等的全方位整合系统功能。 一、 特点: · 可录、放音十万次,存储内容可以断电保留一百年 · 两种控制方式,两种录音输入方式,两种放音输出方式 · 可处理多达 255 段信息 · 有丰富多样的工作状态提示 · 多种采样频率对应多种录放时间 · 音质好,电压范围宽,应用灵活,价廉物美 二、 电特性: · 工作电压: 2.4V-5.5V,, 最高不能超过 6V · 静态电流: 0.5 - 1 μA · 工作电流: 20mA
用户可利用震荡电阻来自定芯片的采样频率,从而决定芯片的录放时间和录放音质。下表为 ISD1700 的参数表:
|
时间(秒) |
20 |
30 |
37 |
45 |
60 |
|
采样率( KHZ ) |
12 |
8 |
6.4 |
5.3 |
4 |
|
ROSC 阻值( KΩ ) |
60 |
80 |
100 |
120 |
160 |
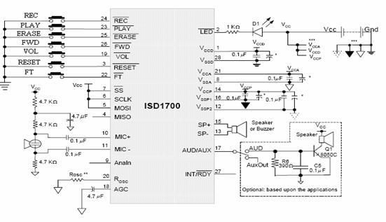
三、独立按键工作模式 ISD1700 的独立按键工作模式录放电路非常简单(后附图),而且功能强大。不仅有录、放功能,还有快进、擦除、音量控制、直通放音和复位等功能。这些功能仅仅通过按键就可完成。 在按键模式工作时,芯片可以通过 LED 管脚给出信号来提示芯片的工作状态,并且伴随有提示音,用户也可自定 4 种提示音效。 录音操作: 按下 REC 键, REC 管脚电平变低后开始录音,直到松开按键使电平拉高或者芯片录满时结束。录音结束后,录音指针自动移向下一个有效地址。而放音指针则指向刚刚录完的那段语音地址。 放音操作 : 放音操作有两种模式,分别是边沿触发和电平触发,都由 PLAY 管脚触发。 A )边沿触发模式: 点按一下 PLAY 键, PLAY 管脚电平变低便开始播放当前段的语音,并在遇到 EOM 标志后自动停止。放音结束后,播放指针停留在刚播放的语音起始地址处,再次点按放音键会重新播放刚才的语音。在放音期间, LED 灯会闪烁直到放音结束时熄灭。如果在放音期间点按放音键会停止放音。 B )电平放音模式: 如果一直按住 PLAY 键,使 PLAY 管脚电平持续为低,那么会将芯片内所有语音信息播放出来,并且循环播放直到松开按键将 PLAY 管脚电平拉高。在放音期间 LED 闪烁。当放音停止,播放指针会停留在当前停止的语音段起始位置。 快进操作: 点按一下 FWD 按钮将 FWD 端拉低,会启动快进操作。快进操作用来将播放指针移向下一段语音信息。当播放指针到达最后一段语音处时,再次快进,指针会返回到第一段语音。当下降沿来到 FWD 端时,快进操作还要决定于芯片当时的状态: 如果芯片在掉电状态并且当前播放指针的位置不在最后一段,那么指针会前进一段,到达下一段语音处 如果芯片在掉电状态并且当前播放指针的位置在最后一段,那么指针会返回到第一段语音处。 如果芯片正在播放一段语音(非最后一段),那么此时放音停止,播放指针前进到下一段,紧接着播放新的语音。 如果芯片正在播放最一段语音,那么此时,放音停止,播放指针返回到第一段语音,紧接着播放第一段语音。擦除操作:
擦除操作分为单段擦除和全体擦除两种擦除方式,区别如下: 单个擦除:
只有第一段或最后一段语音可以被单个擦除。点按一下 ERASE 健将 ERASE 管脚拉低,这时具体的擦除情况要看播放指针的状态:
· 如果芯片空闲并且播放指针指向第一段语音,则会删除第一段语音,播放指针指向新的第一段语音(执行擦除操作前的第二段)
· 如果芯片空闲并且播放指针指向最后一段语音,则会删除最后一段语音,播放指针指向新的最后一段语音(执行擦除操作前的倒数第二段)
· 如果芯片空闲并且播放指针指向没有指向第一或最后一段语音,则不会删除任何语音,播放指针也不会被改变
· 如果芯片当前正在播放第一段或最后一段语音,点按下 ERASE 键会删除当前语音。
全体擦除:
当按下 ERASE 键将 ERASE 管脚电平拉低超过 2.5 秒钟,会触发全体擦除操作,删除全部语音信息。
复位操作:
如果用 RESET 控制此管脚,建议 RESET 管脚与地之间连接 一个 0.1 μF 电容。当 RESET 被触发,芯片将播放指针和录音指针都放置在最后一段语音信息的位置。
音量操作:
点按一下 VOL 键将 VOL 管脚拉低会改变音量大小。每按一下,音量会减小一档,再到达最小档后再按的话,会增加音量直到最大档,如此循环。总共有 8 个音量档供用户选择,每一档会改变 4dB 。复位操作会将音量档放在默认位置,即最大音量。
FT 直通操作:
按住 FT 键将 FT 管脚持续保持在低电平会启动直通模式。出厂设定的是在芯片空闲状态,直通操作会将语音从 Analn 端直接通往喇叭端或 AUD 输出口。在录音期间按下 FT 键,会同时录下 Analn 进入的语音信号。 四 管脚功能说明:
|
管 脚 名 称 |
PDIP/SOIC 管脚 |
TSOP 管脚 |
引 脚 说 明 |
|
VCCD |
1 |
22 |
数字电路电源 |
|
/LED |
2 |
23 |
LED 指示信号输出 |
|
/RESET |
3 |
24 |
芯片复位 |
|
MISO |
4 |
25 |
SPI 接口的串行输出。 ISD1700 在 SCLK 下降沿之前的半个周期将数据放置在 MISO 端。数据在 SCLK 的下降沿时移出 |
|
MOSI |
5 |
26 |
SPI 接口的数据输入端口。主控制芯片在 SCLK 上升沿之前的半个周期将数据放置在 MOSI 端。数据在 SCLK 上升沿被锁存在芯片内。此管脚在空闲时,应该被拉高 |
|
SCLK |
6 |
27 |
SPI 接口的时钟。由主控制芯片产生,并且被用来同步芯片 MOSI 和 MISO 端各自 的数据输入和输出。此管脚空闲时,必须拉高。 |
|
/SS |
7 |
28 |
为低时,选择该芯片成为当前被控制设备并且开启 SPI 接口。空闲时,需要拉高 |
|
VSSA |
8 |
1 |
模拟地 |
|
AnaIn
|
9 |
2 |
芯片录音或直通时,辅助的模拟输入。需要一个交流耦合电容(典型值为 0.1uF ),并且输入信号的幅值不能超出 1.0Vpp 。 APC 寄存器的 D3 可以决定 Analn 信号被立刻录制到存储器中,与 Mic 信号混合被录制到存储器中,或者被缓存到喇叭端并 经由直通线路从 AUD/AUX 输出。 |
|
MIC+ |
10 |
3 |
麦克风输入 + |
|
MIC- |
11 |
4 |
麦克风输入 - |
|
VSSP2 |
12 |
5 |
负极 PWM 喇叭驱动器地 |
|
SP- |
13 |
6 |
喇叭输出 - |
|
VCCP |
14 |
7 |
PWM 喇叭驱动器电源 |
|
SP+ |
15 |
8 |
喇叭输出 + |
|
VSSP1 |
16 |
9 |
正极 PWM 喇叭驱动器地 |
|
AUD/
AUX |
17 |
10 |
辅助输出,决定于 APC 寄存器的 D7 ,用来输出一个 AUD 或 AUX 输出。 AUD 是一个单端电流输出,而 AuxOut 是一个单端电压输出。他们能够被用来驱动一个外部扬声器。出厂默认设置为 AUD 。 APC 寄存器的 D9 可以使其掉电。 |
|
AGC |
18 |
11 |
自动增益控制 |
|
/VOL |
19 |
12 |
音量控制 |
|
ROSC |
20 |
13 |
振荡电阻, ROSC 用一个电阻连接到地,决定芯片的采样频率 |
|
VCCA |
21 |
14 |
模拟电路电源 |
|
/FT
|
22 |
15 |
在独立芯片模式下,当 FT 一直为低, Analn 直通线路被激活。 Analn 信号被立刻从 Analn 经由音量控制线路发射到喇叭以及 AUD/AUX 输出。不过,当在 SPI 模式下, SPI 无视这个输入,而且直通线路被 APC 寄存器的 D0 所控制。该管脚有一个内部上拉设备和一个内部防抖动电路 ,允许使用按键开关来控制开始和结束。 |
|
/PLAY |
23 |
16 |
播放控制端 |
|
/REC |
24 |
17 |
录音控制端 |
|
/ERASE |
25 |
18 |
擦除控制端 |
|
/FWD |
26 |
19 |
快进控制端 |
|
RDY / INT |
27 |
20 |
一个开路输出。 Ready( 独立模式 ) 该管脚在录音,放音,擦除和指向操作时保持为低,保持为高时进入掉电状态。 Interrupt(SPI 模式 ) 在完成 SPI 命令后,会产生一个低信号的中断。一旦中断消除,该脚变回为高。 |
|
VSSD |
28 |
21 |
数字地 | 五 ISD1700 的典型电路:
 图 1 MIC 录音电路 |
 图 2 Analn 输入电路 |
 图 3 SPI 接口控制电路 | |