本商品是出售一个空心的脱胎线圈,本线圈采用高级电脑电感机,在电脑控制下自动生产而成,手工是绝对做不出来的。 铜线直径0.12mm, 线圈内径1.50mm, 线圈外径7.00mm, 线圈高度3.45mm, 直流阻抗11.5欧姆, 最大推力8.00g, 长期稳定工作电流0.01-0.05A, 短时瞬间工作电流0.1-0.25A 长期稳定工作电压1V, 短时瞬间工作电压5V。
本线圈机械强度较强,看上去简置就象一个小小圆柱体轮子。本线圈是电磁秋千专用的推力发送线圈,适合制作各种电子小礼品的电磁秋千,最大推力可达到8g以上,轻轻松松产生4g推力,而做电磁秋千只需要保证每次有合适的1g左右的推力就够了,这样电池也耐用,本站手工试验制作的简易样板机平均工作电流小于10MA(站长的电磁秋千模型是将电磁秋千做成一个杠杆让上端伸出一个臂来带动一个3cm*6cm左右的写了字的纸片做左右往复运动,所以电流会比正常还要大一些),静态工作电流小于0.5MA,完全适合用电池长期供电,使用好的机械支架和结构,耗电量还会减少一半以上。设计高效率、节省用力的机械运动结构是降低电流消耗的重要保证,本站设计的电磁秋千的电路部分的工作效率已经相当高,该电磁秋千电路图免费提供给购买了本电感或者电磁秋千套件的用户。
凡购买本线圈或者本站电磁秋千套件者,可以免费观看和使用本站设计的电磁秋千电路原理图。本电路原理图只需要一个线圈,用线圈通电推动吊起的磁铁运动,当吊起的小磁铁运动时经过线圈时,线圈产生一个小电流,再经过放大后从线圈中通过一个大电流,从而产生一个推动吊起的磁铁的力,使吊起的磁铁不停地运动。每次经过都能产生一个切割磁感电流,经放大后经过线圈从而推到磁铁,因此,这需要一个电路图,但是这个电路图不能太复杂,否则成本太高;再就是这个电路图也不能太简单,否则就体现不出电子技术的复杂性。现在,本站的电磁秋千电路原理图,完美达到这一要求,不需要多个线圈,一个线圈既当运动检测线圈,又当推力发送线圈。本电路图只提供给购买了本站产品的用户,不便之处,请谅解!
本线圈制作难度极高,手工绝对无法制成,如果体积做大了,磁场范围和推力范围变大了,机械结构也更难设计,成本会更高,也可能会导致需要调整某部分电路元件参数,吊起磁铁的机械结构也更难设计,本价格已经包含电路原理图的价格,欢迎购买!如果大批量需要本线圈,本站可以优惠,请另行协商!

至于磁铁,请大家选用直径6-8mm的微型强力磁铁,该磁铁可以从报废的旧耳机中拆取,也可以拆取报废的硬盘中的磁伯打碎先一块合适大小的碎片,春节后本站也会提供该强力磁铁,价格估计也得1元以上。如果不用强力磁铁,就必须加大工作电流,这就达不到省电的目的了。
本线圈还有其它用途,例如:制作振动报警器、短路侦察器、导线探测仪、金属接近感应器、转速测量(配合电路代替霍尔传感器)等等等等,这都是因为本线圈具有体积小,圈数多,密度大等优点,祝大家制作愉快!学习进步!发明创新!(注:本站商品都不包含技术培训、技术指导价格,那是要另外收服务费的,敬请谅解!)
欢迎购买,已经购买了本线圈的朋友请观看下面本站设计的电路原理圈:

特点介绍: 本电路由本站自行设计,设计新颖独特,每一个元件都有它自己的作用,各元件的功能明确,结合巧妙,互相搭配,互相影响,搞懂了本电路,相信对三极管的作用、功能、应用都会有一个更深层次的理解,可以这么说,搞懂了这个电路,电路、电容、三极管这块基本上就可以毕业了,因此,对于学校老师来说,本电路是非常好的、电子元件应用的一个教程!欢迎学校老师批量购买。本电路还有另一个优点,工作电流小,效率高,元件装错也不会损坏电子元件。
原理简介: 本电路中Q3为低功耗、高增益放大器,相对于Q3来说,通过R1供电,C2为滤波电容,Q3为共发射极放大电路,R2为集电极负载电阻,R4提供基极电流,R5稳定流工作点,C4为交流旁路电容,这样,Q3大约会有0.1-0.2MA的工作电流,工作在放大状态,C5为高频滤波电容,消除L1较长的引线带来的干扰信号,R6和C6为信号输入,C6为隔直电容。
当L1感应到磁铁经过时,会感应出几微伏的电压信号,该信号是一个周期的低频交流信号,改变磁铁的南北极或者交换L1的两端接线,使负半周先出现,当负半周时,Q3集电极电压上升,当负半周结束时,这时磁铁已经荡过线圈的中心位置,信号进入正半周,这时Q3基极电压升高,Q3集电极电压下降,这时Q1会产生较大的基极电流,从面会产生更大的集电极电流,该集电极电流经过R3产生远远高于0.6V的压降,从而Q2也进入导通状态。
这里Q1和Q2构成的实际上是一个可控硅电路,Q2导通会加剧Q1导通,Q1导通会加剧Q2导通,这是一个强烈的正反馈过程,在一瞬间,Q1、Q2完全导通,C2电压会急速下降,同时,由C3两端的电压不能突变,C3会立即经过R7、R8充电,由于R8大于R7,这会给Q4产生基极电流,Q4导流,L1线圈得电产生电流,该电流正好是产生排斥磁铁的力,相当于在最合适的时候,推了一下秋千。
Q1、Q2组成的可控硅电路导通,C3也充电充满了,C2也因为放电两端电压大幅下降,Q3也退出放大状态了,之后的电流来源只剩下R1供电了,但是R1电阻较大,最大供电电流也会小于0.5MA,这样就使得C2两不能在R3上产生大于0.6V的压降,Q2会没有基极电流,集电极电流也会变成没有,Q1也会跟着截止,C3充电也结束,Q4没了基极电流也会截止,最后的结果就是所有的三极管都会截止,这时R1会给C2充电,C2两端电压会上升,C3会通过R7、R8、R1放电,C3两端电压会下降,当C2电压上升到一定值时,Q3又会进入放大状态,等待秋千的下一次经过。
因此,本电路工作时,没有秋千经过时,只有Q3工作在微电流放大(工作电流小于0.1MA)状态(Q1也可能会产生一点点的电流),但是总的静态工作电流已经由R1限制在0.1MA左右,即使电源电压上升到6V时,整机的静态电流也小于0.5MA,所以,本电路非常省电。另外,Q4平常一直都是工作在零偏置,处于截止状态,仅仅只在最需要推秋千的瞬间才给L1供电推动秋千,因此,本电路的工作效率极高!如果要减少推力,可以在L1上串联电阻,限制经过L1的电流。
本电路设计巧妙之处在于: 1、本秋千突破传统,发扬传统,只用一只线圈既作秋千检测线圈,又做推力输出线圈; 2、Q4采用零偏置给线圈L1供电,给L1供电的大小和时间都可以在一定范围调节; 3、Q3采用微功耗加负反馈来放大L1的检测秋千到来的信号; 4、为了达到第一条优点,Q3采用失去供电的方法来克服Q4给L1供电产生的巨大干扰信号; 5、Q1、Q2组成可控硅电路,在Q3检测到秋千后,给Q3失电截止,让Q4通电给L1供电。 6、Q4推动秋千后,Q1、Q2会自动截上,Q3会自动进入放大等待下一次运行。
本电路中,R7也有一定的作用,它可以限制Q4的基极电流不要太大,同时延长Q4给线圈的供电时间,这适合机械结构比较差的电磁秋千,因此,本电磁秋千电路适合绝大多数高速的、低速的、大线圈的、小线圈的、大体积的、小体积的各种各样的电磁秋千应用!本电路设计版权所有,禁止竟争对手仿制!请注意:电磁秋千最终能否制作成功,某种程度上还取决于用户的机械装置!如果用户的机械装置不合理,那也可能不成功。但是,机械的问题毕竟比较简单,是眼睛看得见的问题,是用手就模得着的问题,本站不加以深入讨论,本站的电磁秋千套件,会提供一个简易的机械装置,确保用户的秋千绝对能荡起来!(再请注意:本秋千在启动时必须先人为的启动,如果秋千速度太低,或者磁铁距离线圈太远,导致L1连几毫伏的电信号也无法产生,本秋千就不会荡起来。)
下面发一篇电磁秋千制作的参考文章(估计是摘录某电子报刊资料):(说明:本站设计的电路原理图和以下电路完全不同,也不相近似,上面已经有介绍,完全是本站的新作原创,本站的电路比以下电路大约要少用2-3个电子元件,采用3V供电,更省电,更可靠,并且不需要使用稳压管和普通二极管。本站的电路图专门送给购买了本线圈或者本套件的朋友!再次谢谢大家购买!
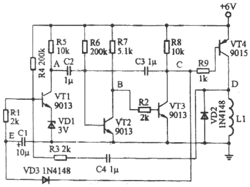
本人最近正在做一个课题,但地现在遇到个问题,想到位高手帮忙解决这个问题!在此非常感谢!题目就是做个“电子秋千”可是本人做了几次都不成功,电路图如下: 一、电路的组成 笔者设计的电路如图1所示。
 整个电路包括以下3部分: 1.检测放大电路:由L1、R3、C4,以及VT1、VD1、R4、R5、C2组成的共射极放大电路组成。 2.单稳态电路:由VT2、VT3,以及C3、R2、R6、R7、R8组成。 3.驱动电路:主要包括R9、VT4、VD2电磁线圈L1。 二、工作原理 “电子秋千”利用电能、磁能和机械能之间相互作用,来驱动小白兔不停地摆动。 小磁铁装在小白兔的底部,小白兔静止时,小磁铁的垂直下方正对着电磁线圈L1。 图中用了4只三极管,VT1处于放大状态,VT2处于饱和状态,VT3、VT4绝大部分时间处于截止状态。 这里巧妙地利用电磁线圈L1,既作驱动器件,又兼检测元件。大部分情况下,L1中没有电流通过。当小白兔从电磁线圈L1上方经过时,电磁线圈L1感应出电压信号,由R3、C4传至VT1,由VT1进行放大。适当选择电磁线圈L1的两端极性,使小白兔从电磁线圈L1是上方离开时,对应VT1集电极A点的电位下降。 A点电位的下降,经VT2、VT3的正反馈作用,使VT2截止、VT3饱和,由VT2、VT3组成的单稳态电路进入暂稳态时间约0.5秒。 在暂稳态期间,C点为低电位,使驱动管VT4饱和导通,驱动电磁线圈L1产生与小白兔的磁铁极性相同的磁场,小白兔在磁场的推斥作用下,继续摆动。 在暂稳态期间,二极管VD3导通,电容C1迅速放电,使VT1基极的电位降至不足1V,VT1截止。这就避免了从电磁线圈L1来的干扰,整个电路也不会形成不必要的振荡。 暂稳态过后,C点恢复问高电位,驱动管VT4截止,电磁线圈L1没有电流通过,不产生磁场。 此时二极管VD3截止,电容C1被充电,使VT1基极的电位逐步上升,达到3.7V时,VT1再次进入放大状态,为下一次工作做准备。显然,这段延迟时间由R4、C1决定。 在延迟时间内,由VT1未导通,电磁线圈L1没有电流通过,不产生磁场。 但本人按照上面的做了几次都没成功,希望各位电子高手帮帮忙,顺便看看那电路有没有问题!谢谢! 网友最佳答案:如果你的电路没有错,仔细检查一下你的元件、布线、焊接 ,好长时间没有玩这些东西了,我以前做过这个,还做成功了的。
下面是 另一段参考资料:(五一电子站长批示:用0.06自制电磁丝圈的可行性极差,这么细的线抗拉力仅数克,手工绕制无法控制力度,力轻线圈会松,力重线圈会断,即便绕好后焊接时也容易断线,另外,购买此细线也不适合普通电子爱好者!有条件者可以试试!)
我最近在做课程设计,想找个“电子秋千”电路图!电路图的要求:工作原理 “电子秋千”利用电能、磁能和机械能之间相互作用,来驱动掉起的磁铁不停地摆动。 小磁铁静止时,小磁铁的垂直下方正对着电磁线圈。 巧妙地利用电磁线圈,既作驱动器件来驱动掉起的小磁铁不停地运动,即当掉起的磁铁从线圈上放摆过是做切割磁感线运动,而产生一个小电流,小电流再经过反馈放大后再经过线圈,使线圈产生一个与掉起的磁铁想反极性的磁力,从而推动掉起的那块磁铁,从而形成来回不停的摆动,请求各位高手帮帮忙!在此非常的感谢!
关于“电子秋千”的原理你已经很清楚,其实电路也很简单,关键是那个“电磁线圈”的制作。 制作电磁线圈的模具: 找两块长宽各25毫米的做线路板的薄板,中间钻一3~5毫米的孔,再找一内径与板孔一样的薄壁管,切下一小段,在砂纸上研磨,使两端平行,经研磨管长3毫米左右。把短管放在两板中间,用直径与板孔相当的螺丝穿起来,拧上螺丝帽,夹紧,夹紧后要保持两板平行。 模具作好后,要浸蜡,使两板表面有一层均匀的薄蜡,以防绕好后的线圈与板沾连。 绕线圈:用直径0.06毫米的高强漆包线,双线并绕1000~1500匝,绕好后滴灌502胶,待凝固,拆开模具。 把饼状线圈固定在“秋千”的底座,对正小磁铁。 取一电流放大系数较大的NPN三极管,一个线圈接C和电源(+),B加适当偏流,使IC=1~2mA,线圈极性为排斥小磁铁。另一个线圈一端接E,另一端经5~10uf电容接B,极性为正反馈。 好了,可以荡秋千了。
查看和发表评论 管理员一般会在8-48小时内回复,会删除无意义的留言以及重复留言,请保证留言标题清晰,内容明确! 1、评论不代表本站观点。 另外,即使是本站原创作品,本站也不保证内容绝对正确。 2、如果您拥有本文版权,并且不想在此处发表,请书面通知本站立即删除并且向您公开道歉! |