进入框架页面 

5. 广告灯(利用取表方式)

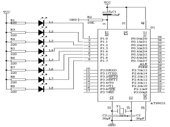
1. 实验任务

利用取表的方法,使端口P1做单一灯的变化:左移2次,右移2次,闪烁2次(延时的时间0.2秒)。

2. 电路原理图

图4.5.1

3. 系统板上硬件连线

  把“单片机系统”区域中的P1.0-P1.7用8芯排线连接到“八路发光二极管指示模块”区域中的L1-L8端口上,要求:P1.0对应着L1,P1.1对应着L2,……,P1.7对应着L8。

4. 程序设计内容

在用表格进行程序设计的时候,要用以下的指令来完成

(1). 利用MOV DPTR,#DATA16的指令来使数据指针寄存器指到表的开头。

(2). 利用MOVC A,@A+DPTR的指令,根据累加器的值再加上DPTR的值,就可以使程序计数器PC指到表格内所要取出的数据。

因此,只要把控制码建成一个表,而利用MOVC 工,@A+DPTR做取码的操作,就可方便地处理一些复杂的控制动作,取表过程如下图所示:

5. 程序框图

 

 

 

 

 

 

 

 

 

 

 

图4.5.2

6. 汇编源程序
ORG 0
START: MOV DPTR,#TABLE
LOOP: CLR A
MOVC A,@A+DPTR
CJNE A,#01H,LOOP1
JMP START
LOOP1: MOV P1,A
MOV R3,#20
LCALL DELAY
INC DPTR
JMP LOOP
DELAY: MOV R4,#20
D1: MOV R5,#248
DJNZ R5,$
DJNZ R4,D1
DJNZ R3,DELAY
RET
TABLE: DB 0FEH,0FDH,0FBH,0F7H
DB 0EFH,0DFH,0BFH,07FH
DB 0FEH,0FDH,0FBH,0F7H
DB 0EFH,0DFH,0BFH,07FH
DB 07FH,0BFH,0DFH,0EFH
DB 0F7H,0FBH,0FDH,0FEH
DB 07FH,0BFH,0DFH,0EFH
DB 0F7H,0FBH,0FDH,0FEH
DB 00H, 0FFH,00H, 0FFH
DB 01H
END
7. C语言源程序
#include <AT89X51.H>
unsigned char code table[]={0xfe,0xfd,0xfb,0xf7,
0xef,0xdf,0xbf,0x7f,
0xfe,0xfd,0xfb,0xf7,
0xef,0xdf,0xbf,0x7f,
0x7f,0xbf,0xdf,0xef,
0xf7,0xfb,0xfd,0xfe,
0x7f,0xbf,0xdf,0xef,
0xf7,0xfb,0xfd,0xfe,
0x00,0xff,0x00,0xff,
0x01};
unsigned char i;

void delay(void)
{
unsigned char m,n,s;
for(m=20;m>0;m--)
for(n=20;n>0;n--)
for(s=248;s>0;s--);
}

void main(void)
{
while(1)
{
if(table[i]!=0x01)
{
P1=table[i];
i++;
delay();
}
else
{
i=0;
}
}
}


以上资料来自于互联网!编辑整理:五一电子加油站;网址:http://51dz.com
欢迎光临五一电子商城!免费学习电子技术,面向全国邮购电子元件、实验套件!